MWMECH
MWG-1908
да
горячештамповая сталь, SUJ2, SKD11, S45C
| штат: | |
|---|---|
| Количество: | |
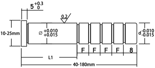
Направляющая стойка используется в сочетании с другими компонентами пресс-формы для обеспечения точного перемещения пресс-формы.Обычно он цилиндрический с заплечиком и масляной канавкой.Обычным материалом является SUJ2, горячештамповая сталь, чугун для легкого проката и т. д. Он способен предотвратить износ и повреждение пресс-формы и упрощает техническое обслуживание, поскольку его можно устанавливать и снимать с листа.
Округлость направляющей стойки очень важна.Чтобы отшлифовать внешний диаметр, цилиндрический шлифовальный станок должен использовать центр ленты против центрального отверстия, чтобы направляющая стойка могла вращаться.
В зависимости от использования направляющие стойки предназначены для автомобильной пресс-формы, независимого использования, штамповой рамы, разгрузочной плиты и т. Д.
Обычно внутренняя цилиндрическая поверхность ø32H7, Ra0.2um;наружная цилиндрическая поверхность ø45R6, Ra0.4um.
Твердость: 58-62HRC
Шероховатость поверхности: Ra0.4-0.8
Допуск точности: +/- 0,005 мм
Концентричность: +/-0,01 мм
Допуск прямолинейности: 0,002 мм
Допуск круглости: 0,002 мм
Обработка поверхности: науглероживающая термическая обработка
Применение: штамповка, форма для литья под давлением, пластиковая форма
Обычный размер
![]() | ![]() | ![]() |
Направляющая втулка направляющей стойки стандартного размера GP На складе
Вам необходимо предоставить четкие чертежи и требования, чтобы наши инженеры понимали досконально.
Мы также можем поставить прецизионные механические детали, как показано ниже:
Компонент механической обработки с ЧПУ,
Соберите линейный перфоратор,
Соберите пуансон с линейной головкой,
Сборка соединительной линии - детали адаптера,
Соберите компоненты монтажной пластины линии,
Металлический захват линии сборки,
Соберите направляющие втулки линии,
Соберите вставки для ориентации линии,
Соберите детали линейного фланцевого соединителя,
Соберите линейное устройство,
Ориентационные детали для сборочной линии,
Измерительные детали для сборочной линии,
Инспекционные детали,
Нестандартные режущие кромки для резки металла Инструмент для сборки линии…
Клиенты должны предоставить стандартные коды и чертежи для цены предложения и обработки.
Хорошая консистенция, стабильное качество, допуски +/- 0,005.
Быстрое время выполнения 5-7 дней для обычного размера.
Внутри: пузырчатый пакет, полиэтиленовый пакет или пластиковое уплотнение с антикоррозионным маслом, а также внешняя картонная коробка или другая безопасная упаковка.
![]() | ![]() |
Основными методами обработки поверхности оснастки штампов являются: гальваника, напыление, полировка, анодирование, чернение и т. д.
Функция заключается в улучшении внешнего вида, коррозионной стойкости и износостойкости деталей пресс-формы.Каждый из них имеет свою уникальную среду использования и условия, как показано ниже:
Гальваническое покрытие стального материала
Гальванопокрытие-Гальваническое покрытие представляет собой метод обработки поверхности деталей прецизионных пресс-форм слоем металлической пленки.Различные металлы, такие как хром, цинк или никель, используются в качестве покрытий в различных средах.
Применение: Используется для деталей с низкими требованиями к точности размеров.Поскольку однородность толщины гальванического покрытия контролировать непросто, требуется дополнительная обработка для обеспечения точности при высокой точности размеров.
Распыление стального материала
Напыление относится к методу обработки распылением слоя покрытия на поверхность прецизионных деталей пресс-формы.
Применение: Может использоваться в качестве финишной обработки поверхности деталей, требующих высокой точности размеров и высокой износостойкости.
Полировка стальных материалов
Полировка означает обработку поверхности до гладкого, плоского состояния без заусенцев.
Использование: Для улучшения внешнего вида, микрошероховатости и износостойкости деталей пресс-форм и штампов.
Обычное чернение стали
Чернение относится к методу обработки поверхности деталей пресс-формы. в слой черной оксидной пленки.
Использование: Обычная сталь в качестве материала для деталей пресс-формы, если ее требования к производительности и коррозионной стойкости не высоки, обработка чернением может быть экономичной.
Анодирование алюминия
Анодирование-Анодирование относится к обработке поверхности деталей штампа слоем оксидной пленки.
Использование: Из-за своей низкой твердости обычно используется в качестве вспомогательной оснастки для пресс-форм.
У вас может быть много вариантов обработки поверхности в соответствии с вашими потребностями.Ниже приведены некоторые обычные методы, которые мы используем.
Часто задаваемые вопросы
Q: Какие услуги вы можете сделать?
О: ОЕМ/ОДМ.Бесплатные образцы доступны после подтверждения цены, но вам необходимо разделить перевозку образца.Мы производим детали по чертежам или образцам клиентов.Что касается защиты интеллектуальной собственности клиентов, мы не продаем один и тот же продукт наших клиентов третьим лицам.
Q: Какие данные должен предоставить клиент для точной цитаты?
A: Чертежи или образцы, количество, допуск, стандарт, материал, отделка поверхности, другие особые требования и т. Д.
Q: Каковы ваши способы доставки?
О: DHL, EMS, UPS, наземный или морской транспорт.
В: Как вы обеспечиваете контроль качества?
A: Полная проверка с отчетом об испытаниях и сертификатом состава материала для каждого заказа и 1 год послепродажного обслуживания для бесплатного ремонта или замены дефицитных продуктов.Почти нулевая скорость ремонта и дефектные продукты все замена или ремонт бесплатно.
Q: Как долго ваше время выполнения заказа?
О: 10-30 дней до количества.
Вопрос: с какой обработкой поверхности вы можете иметь дело?
A: нитрид титана (TiN), TiCN, титановое покрытие, чернение, науглероживание, цинкование, цинковое покрытие, оцинковка, хромирование и т.д.
Вопрос: какой у вас срок оплаты?
О: Т/Т, аккредитив, Вестерн Юнион, PayPal и т. д.
Направляющая стойка используется в сочетании с другими компонентами пресс-формы для обеспечения точного перемещения пресс-формы.Обычно он цилиндрический с заплечиком и масляной канавкой.Обычным материалом является SUJ2, горячештамповая сталь, чугун для легкого проката и т. д. Он способен предотвратить износ и повреждение пресс-формы и упрощает техническое обслуживание, поскольку его можно устанавливать и снимать с листа.
Округлость направляющей стойки очень важна.Чтобы отшлифовать внешний диаметр, цилиндрический шлифовальный станок должен использовать центр ленты против центрального отверстия, чтобы направляющая стойка могла вращаться.
В зависимости от использования направляющие стойки предназначены для автомобильной пресс-формы, независимого использования, штамповой рамы, разгрузочной плиты и т. Д.
Обычно внутренняя цилиндрическая поверхность ø32H7, Ra0.2um;наружная цилиндрическая поверхность ø45R6, Ra0.4um.
Твердость: 58-62HRC
Шероховатость поверхности: Ra0.4-0.8
Допуск точности: +/- 0,005 мм
Концентричность: +/-0,01 мм
Допуск прямолинейности: 0,002 мм
Допуск круглости: 0,002 мм
Обработка поверхности: науглероживающая термическая обработка
Применение: штамповка, форма для литья под давлением, пластиковая форма
Обычный размер
![]() | ![]() | ![]() |
Направляющая втулка направляющей стойки стандартного размера GP На складе
Вам необходимо предоставить четкие чертежи и требования, чтобы наши инженеры понимали досконально.
Мы также можем поставить прецизионные механические детали, как показано ниже:
Компонент механической обработки с ЧПУ,
Соберите линейный перфоратор,
Соберите пуансон с линейной головкой,
Сборка соединительной линии - детали адаптера,
Соберите компоненты монтажной пластины линии,
Металлический захват линии сборки,
Соберите направляющие втулки линии,
Соберите вставки для ориентации линии,
Соберите детали линейного фланцевого соединителя,
Соберите линейное устройство,
Ориентационные детали для сборочной линии,
Измерительные детали для сборочной линии,
Инспекционные детали,
Нестандартные режущие кромки для резки металла Инструмент для сборки линии…
Клиенты должны предоставить стандартные коды и чертежи для цены предложения и обработки.
Хорошая консистенция, стабильное качество, допуски +/- 0,005.
Быстрое время выполнения 5-7 дней для обычного размера.
Внутри: пузырчатый пакет, полиэтиленовый пакет или пластиковое уплотнение с антикоррозионным маслом, а также внешняя картонная коробка или другая безопасная упаковка.
![]() | ![]() |
Основными методами обработки поверхности оснастки штампов являются: гальваника, напыление, полировка, анодирование, чернение и т. д.
Функция заключается в улучшении внешнего вида, коррозионной стойкости и износостойкости деталей пресс-формы.Каждый из них имеет свою уникальную среду использования и условия, как показано ниже:
Гальваническое покрытие стального материала
Гальванопокрытие-Гальваническое покрытие представляет собой метод обработки поверхности деталей прецизионных пресс-форм слоем металлической пленки.Различные металлы, такие как хром, цинк или никель, используются в качестве покрытий в различных средах.
Применение: Используется для деталей с низкими требованиями к точности размеров.Поскольку однородность толщины гальванического покрытия контролировать непросто, требуется дополнительная обработка для обеспечения точности при высокой точности размеров.
Распыление стального материала
Напыление относится к методу обработки распылением слоя покрытия на поверхность прецизионных деталей пресс-формы.
Применение: Может использоваться в качестве финишной обработки поверхности деталей, требующих высокой точности размеров и высокой износостойкости.
Полировка стальных материалов
Полировка означает обработку поверхности до гладкого, плоского состояния без заусенцев.
Использование: Для улучшения внешнего вида, микрошероховатости и износостойкости деталей пресс-форм и штампов.
Обычное чернение стали
Чернение относится к методу обработки поверхности деталей пресс-формы. в слой черной оксидной пленки.
Использование: Обычная сталь в качестве материала для деталей пресс-формы, если ее требования к производительности и коррозионной стойкости не высоки, обработка чернением может быть экономичной.
Анодирование алюминия
Анодирование-Анодирование относится к обработке поверхности деталей штампа слоем оксидной пленки.
Использование: Из-за своей низкой твердости обычно используется в качестве вспомогательной оснастки для пресс-форм.
У вас может быть много вариантов обработки поверхности в соответствии с вашими потребностями.Ниже приведены некоторые обычные методы, которые мы используем.
Часто задаваемые вопросы
Q: Какие услуги вы можете сделать?
О: ОЕМ/ОДМ.Бесплатные образцы доступны после подтверждения цены, но вам необходимо разделить перевозку образца.Мы производим детали по чертежам или образцам клиентов.Что касается защиты интеллектуальной собственности клиентов, мы не продаем один и тот же продукт наших клиентов третьим лицам.
Q: Какие данные должен предоставить клиент для точной цитаты?
A: Чертежи или образцы, количество, допуск, стандарт, материал, отделка поверхности, другие особые требования и т. Д.
Q: Каковы ваши способы доставки?
О: DHL, EMS, UPS, наземный или морской транспорт.
В: Как вы обеспечиваете контроль качества?
A: Полная проверка с отчетом об испытаниях и сертификатом состава материала для каждого заказа и 1 год послепродажного обслуживания для бесплатного ремонта или замены дефицитных продуктов.Почти нулевая скорость ремонта и дефектные продукты все замена или ремонт бесплатно.
Q: Как долго ваше время выполнения заказа?
О: 10-30 дней до количества.
Вопрос: с какой обработкой поверхности вы можете иметь дело?
A: нитрид титана (TiN), TiCN, титановое покрытие, чернение, науглероживание, цинкование, цинковое покрытие, оцинковка, хромирование и т.д.
Вопрос: какой у вас срок оплаты?
О: Т/Т, аккредитив, Вестерн Юнион, PayPal и т. д.
Адрес: № 1518, F15, корпус 1, финансовый центр Qianhai Life, Jinqiao 3rd Road 418 #, экологический район Чанба, Сиань, Шэньси, Китай.